Официальное опубликование правовых актов
ОФИЦИАЛЬНОЕ ОПУБЛИКОВАНИЕ
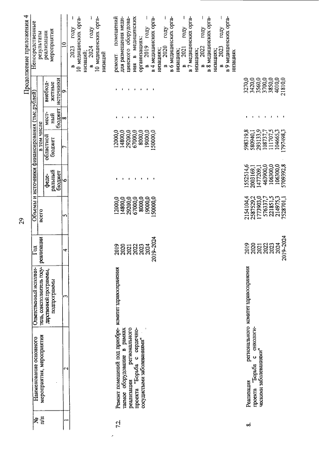
Постановление Администрации Волгоградской области от 22.04.2019 № 198-п
"О внесении изменений в постановление Правительства Волгоградской области от 25 ноября 2013 г. № 666-п "Об утверждении государственной программы Волгоградской области "Развитие здравоохранения в Волгоградской области"
Номер опубликования: 3400201904240002
Дата опубликования: 24.04.2019
Страница №110 из 166:
Увеличить