Официальное опубликование правовых актов
ОФИЦИАЛЬНОЕ ОПУБЛИКОВАНИЕ
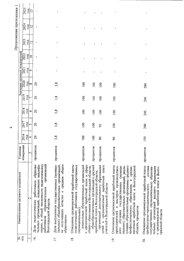
Постановление Администрации Волгоградской области от 30.10.2017 № 574-п
"Об утверждении государственной программы Волгоградской области "Развитие образования в Волгоградской области"
Номер опубликования: 3400201711020002
Дата опубликования: 02.11.2017
Страница №104 из 174:
Увеличить