Официальное опубликование правовых актов
ОФИЦИАЛЬНОЕ ОПУБЛИКОВАНИЕ
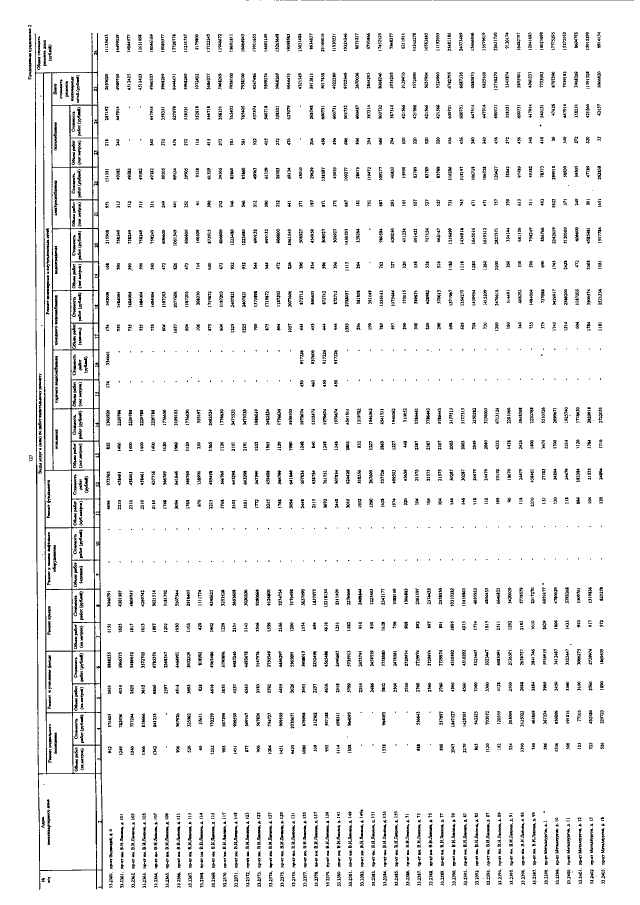
Постановление Администрации Волгоградской области от 25.02.2016 № 59-п
"О внесении изменений в постановление Правительства Волгоградской области от 31 декабря 2013 г. № 812-п "Об утверждении региональной программы "Капитальный ремонт общего имущества в многоквартирных домах, расположенных на территории Волгоградской области"
Номер опубликования: 3400201603010005
Дата опубликования: 01.03.2016
Страница №395 из 509:
Увеличить