Официальное опубликование правовых актов
ОФИЦИАЛЬНОЕ ОПУБЛИКОВАНИЕ
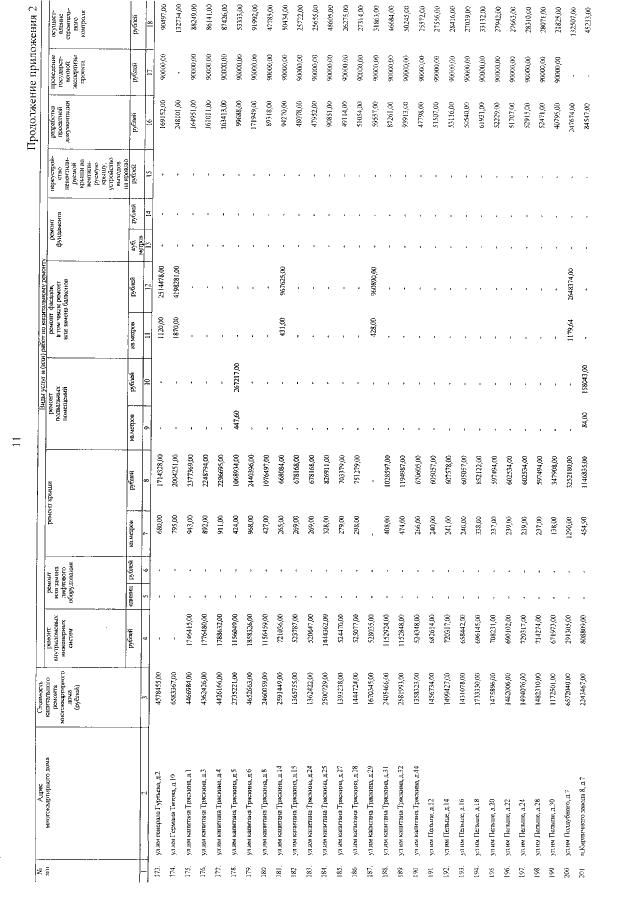
Постановление Администрации Волгоградской области от 29.10.2015 № 652-п
"О внесении изменений в постановление Администрации Волгоградской области от 29 июня 2015 г. № 348-п "Об утверждении краткосрочного плана реализации региональной программы "Капитальный ремонт общего имущества в многоквартирных домах, расположенных на территории Волгоградской области", утвержденной постановлением Правительства Волгоградской области от 31 декабря 2013 г. № 812-п, на 2015 год и о внесении изменений в постановление Правительства Волгоградской области от 31 декабря 2013 г. № 812-п, на 2015 год и о внесении изменений в постановление Правительства Волгоградской области от 31 декабря 2013 г. № 812-п "Об утверждении региональной программы "Капитальный ремонт общего имущества в многоквартирных домах, расположенных на территории Волгоградской области"
Номер опубликования: 3400201511030003
Дата опубликования: 03.11.2015
Страница №28 из 35:
Увеличить