Официальное опубликование правовых актов
ОФИЦИАЛЬНОЕ ОПУБЛИКОВАНИЕ
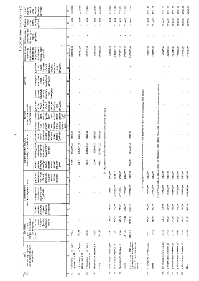
Постановление Администрации Волгоградской области от 21.09.2015 № 569-п
"О внесении изменений в постановление Правительства Волгоградской области от 23 апреля 2013 г. №204-п "Об утверждении областной адресной программы "Переселение граждан из аварийного жилищного фонда на территории Волгоградской области в 2013-2017 годах"
Номер опубликования: 3400201509250007
Дата опубликования: 25.09.2015
Страница №35 из 44:
Увеличить