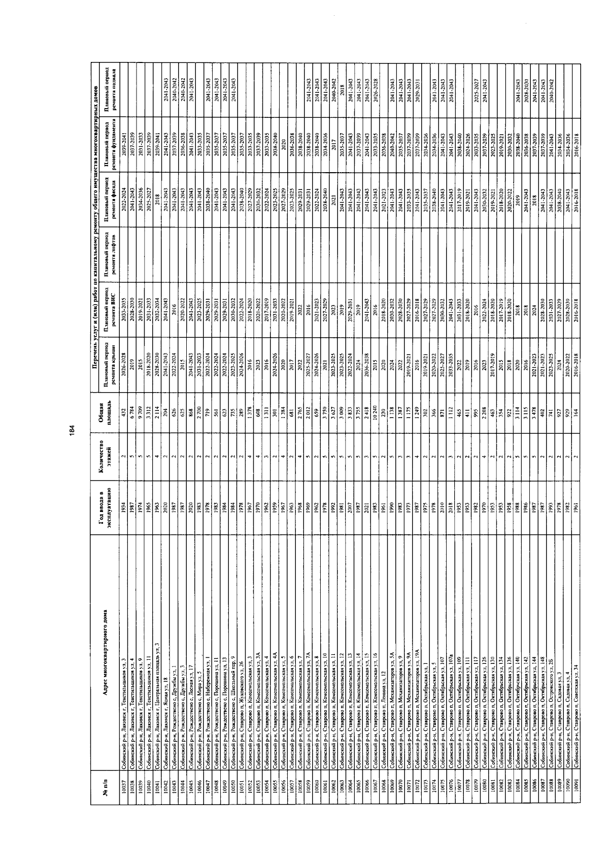
Постановление Правительства Владимирской области от 27.12.2024 № 864
"О внесении изменений в постановление Губернатора Владимирской области от 30.12.2013 № 1502"
"О внесении изменений в постановление Губернатора Владимирской области от 30.12.2013 № 1502"
Номер опубликования: 3300202412290009
Дата опубликования:
29.12.2024
