Официальное опубликование правовых актов
ОФИЦИАЛЬНОЕ ОПУБЛИКОВАНИЕ
Распоряжение администрации Владимирской области от 01.12.2015 № 658-р
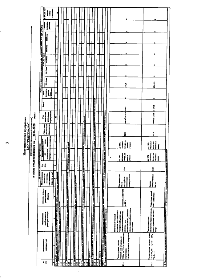
"Об утверждении инвестиционной программы ЗАО "Радугаэнерго" в сфере теплоснабжения на 2016-2020 годы"
Номер опубликования: 3300201512020004
Дата опубликования: 02.12.2015
Страница №4 из 9:
Увеличить