Официальное опубликование правовых актов
ОФИЦИАЛЬНОЕ ОПУБЛИКОВАНИЕ
Постановление администрации Владимирской области от 19.12.2014 № 1310
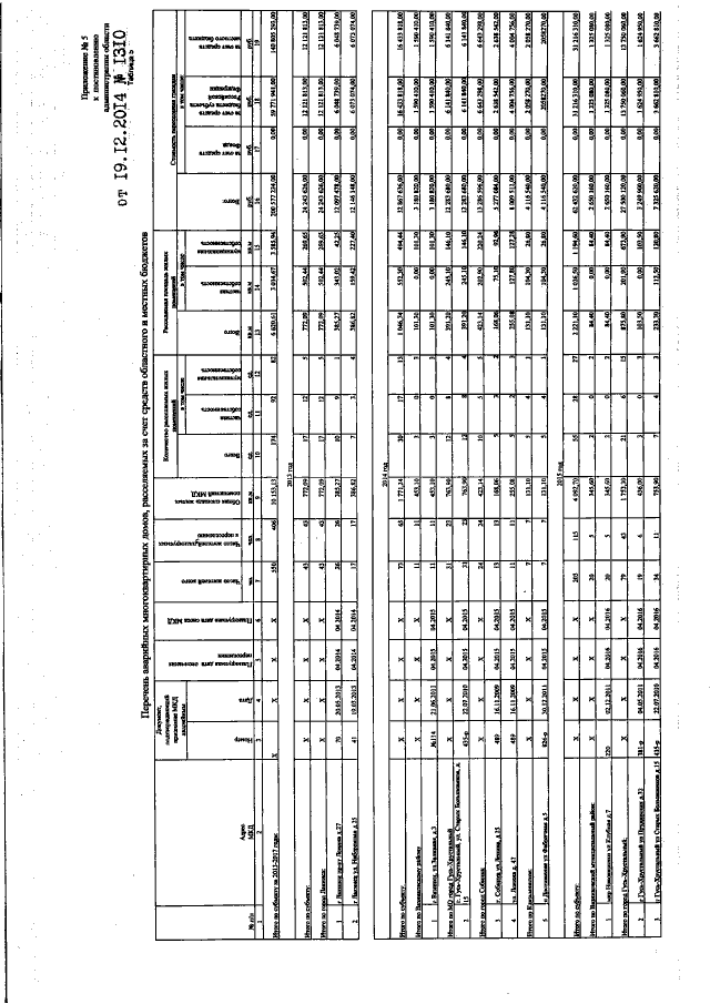
"О внесении изменений в постановление Губернатора области от 20.06.2013 № 717 "Об утверждении областной адресной программы "Переселение граждан из аварийного жилищного фонда в 2013-2017 годах"
Номер опубликования: 3300201412250015
Дата опубликования: 25.12.2014
Страница №35 из 41:
Увеличить