Официальное опубликование правовых актов
ОФИЦИАЛЬНОЕ ОПУБЛИКОВАНИЕ
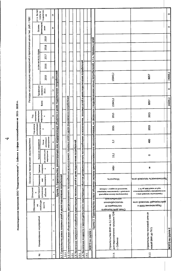
Распоряжение администрации Владимирской области от 22.12.2014 № 631-р
"Об утверждении инвестиционной программы ООО "Владимиртеплогаз" г. Собинка в сфере теплоснабжения на 2015-2019 годы"
Номер опубликования: 3300201412240008
Дата опубликования: 24.12.2014
Страница №5 из 9:
Увеличить