Постановление администрации Владимирской области от 03.12.2014 № 1236
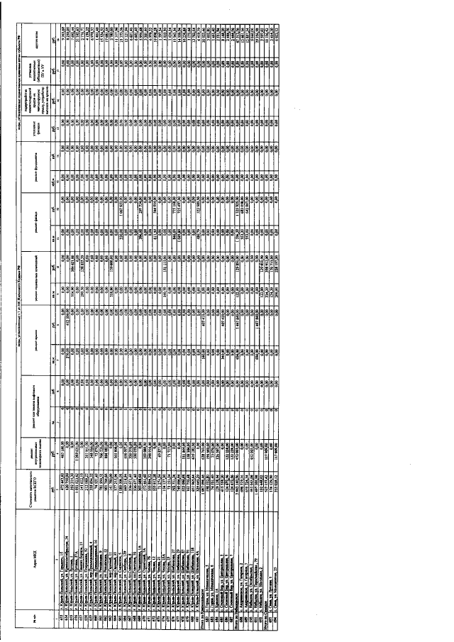
"Об утверждении сводного краткосрочного плана реализации региональной программы капитального ремонта общего имущества в многоквартирных домах на 2015 год"
"Об утверждении сводного краткосрочного плана реализации региональной программы капитального ремонта общего имущества в многоквартирных домах на 2015 год"
Номер опубликования: 3300201412090005
Дата опубликования:
09.12.2014
