Официальное опубликование правовых актов
ОФИЦИАЛЬНОЕ ОПУБЛИКОВАНИЕ
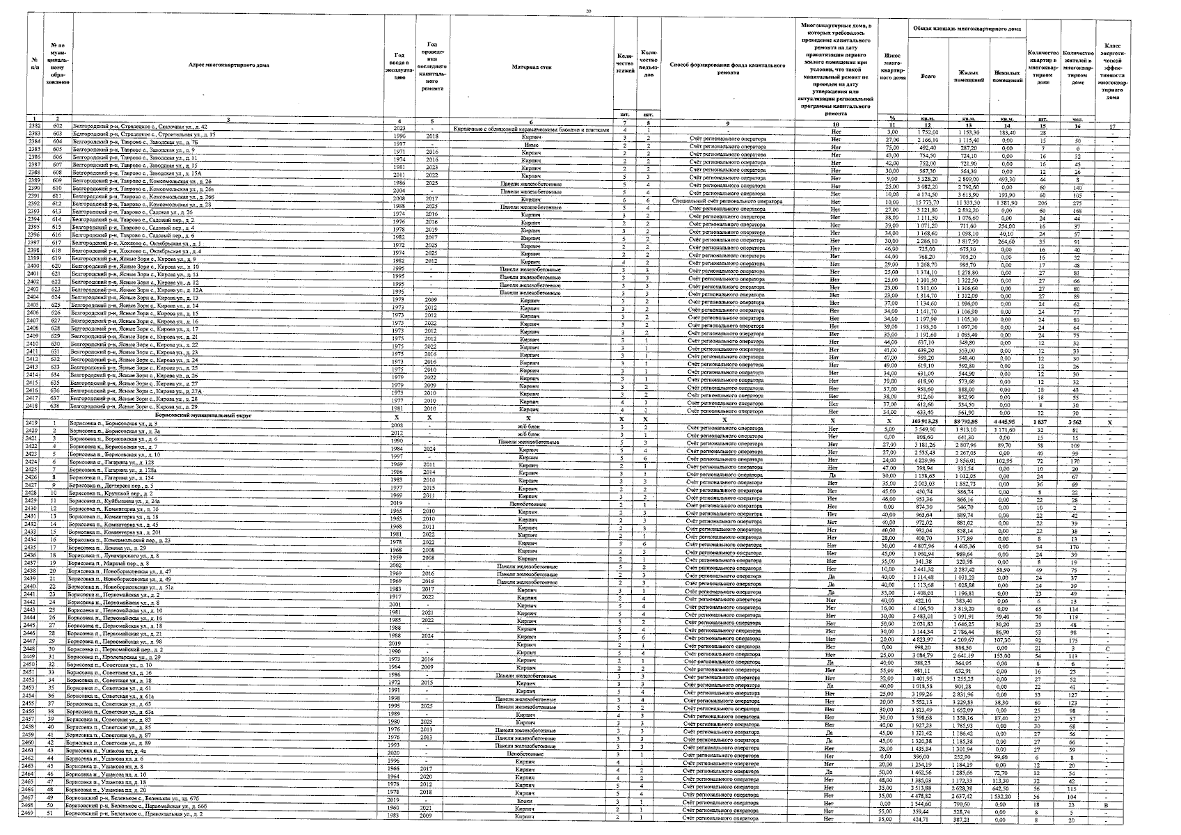
Постановление Правительства Белгородской области от 15.12.2025 № 612-пп
"О внесении изменений в постановление Правительства Белгородской области от 19 августа 2013 года № 345-пп"
Номер опубликования: 3100202512190006
Дата опубликования: 19.12.2025
Страница №30 из 140:
Увеличить