Официальное опубликование правовых актов
ОФИЦИАЛЬНОЕ ОПУБЛИКОВАНИЕ
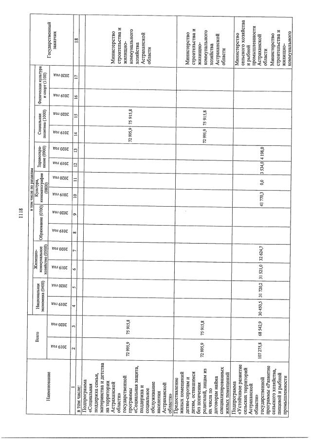
Закон Астраханской области от 23.11.2018 № 106/2018-ОЗ "О внесении изменений в Закон Астраханской области "О бюджете Астраханской области на 2018 год и на плановый период 2019 и 2020 годов"
Номер опубликования: 3000201811290012
Дата опубликования: 29.11.2018
Страница №1118 из 1122:
Увеличить