Официальное опубликование правовых актов
ОФИЦИАЛЬНОЕ ОПУБЛИКОВАНИЕ
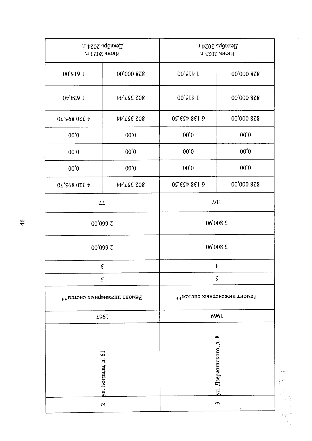
Постановление Правительства Республики Хакасия от 28.12.2024 № 843
"О внесении изменений в постановление Правительства Республики Хакасия от 15.03.2023 № 184 "Об утверждении Краткосрочного плана реализации региональной программы "Капитальный ремонт общего имущества в многоквартирных домах, расположенных на территории Республики Хакасия (2014–2050 годы)" на 2024–2026 годы"
Номер опубликования: 1900202412290029
Дата опубликования: 29.12.2024
Страница №46 из 207:
Увеличить