Официальное опубликование правовых актов
ОФИЦИАЛЬНОЕ ОПУБЛИКОВАНИЕ
Постановление Правительства Республики Хакасия от 21.06.2019 № 312
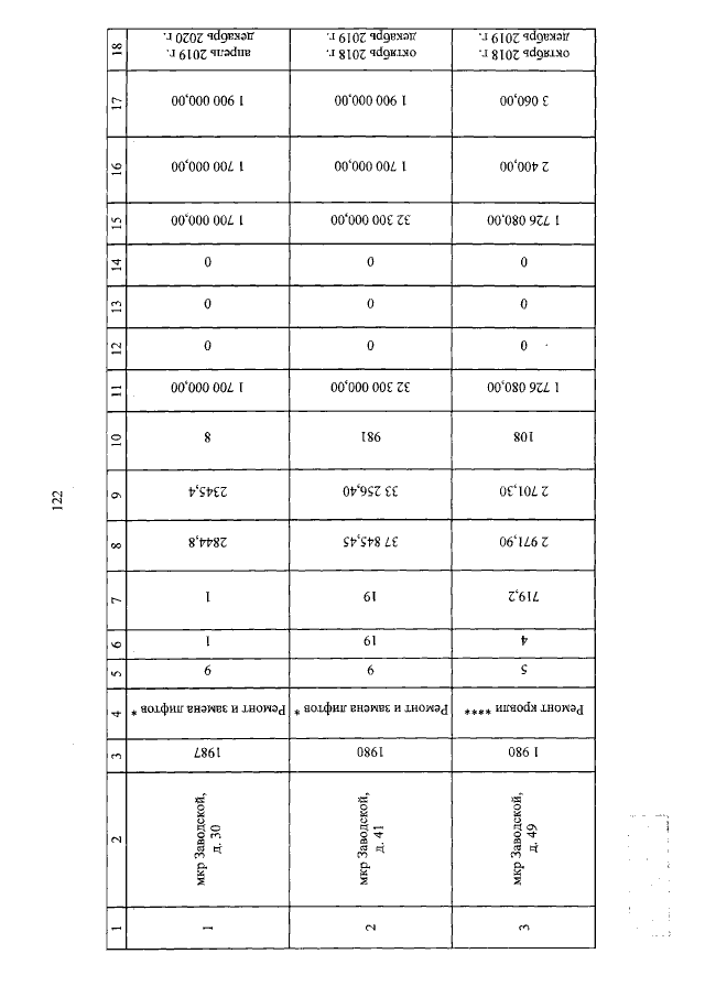
"О внесении изменения в приложение к постановлению Правительства Республики Хакасия от 02.08.2017 № 398 "Об утверждении Краткосрочного плана реализации региональной программы "Капитальный ремонт общего имущества в многоквартирных домах, расположенных на территории Республики Хакасия (2014–2050 годы)" на 2018–2020 годы"
Номер опубликования: 1900201906260008
Дата опубликования: 26.06.2019
Страница №122 из 245:
Увеличить