Официальное опубликование правовых актов
ОФИЦИАЛЬНОЕ ОПУБЛИКОВАНИЕ
Постановление Правительства Республики Хакасия от 12.03.2019 № 65
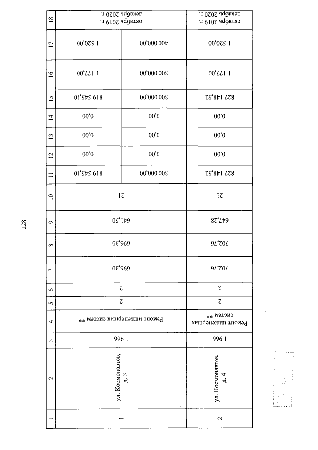
"О внесении изменений в постановление Правительства Республики Хакасия от 02.08.2017 № 398 "Об утверждении Краткосрочного плана реализации региональной программы "Капитальный ремонт общего имущества в многоквартирных домах, расположенных на территории Республики Хакасия (2014–2043 годы)" на 2018–2020 годы"
Номер опубликования: 1900201903150003
Дата опубликования: 15.03.2019
Страница №228 из 239:
Увеличить