Официальное опубликование правовых актов
ОФИЦИАЛЬНОЕ ОПУБЛИКОВАНИЕ
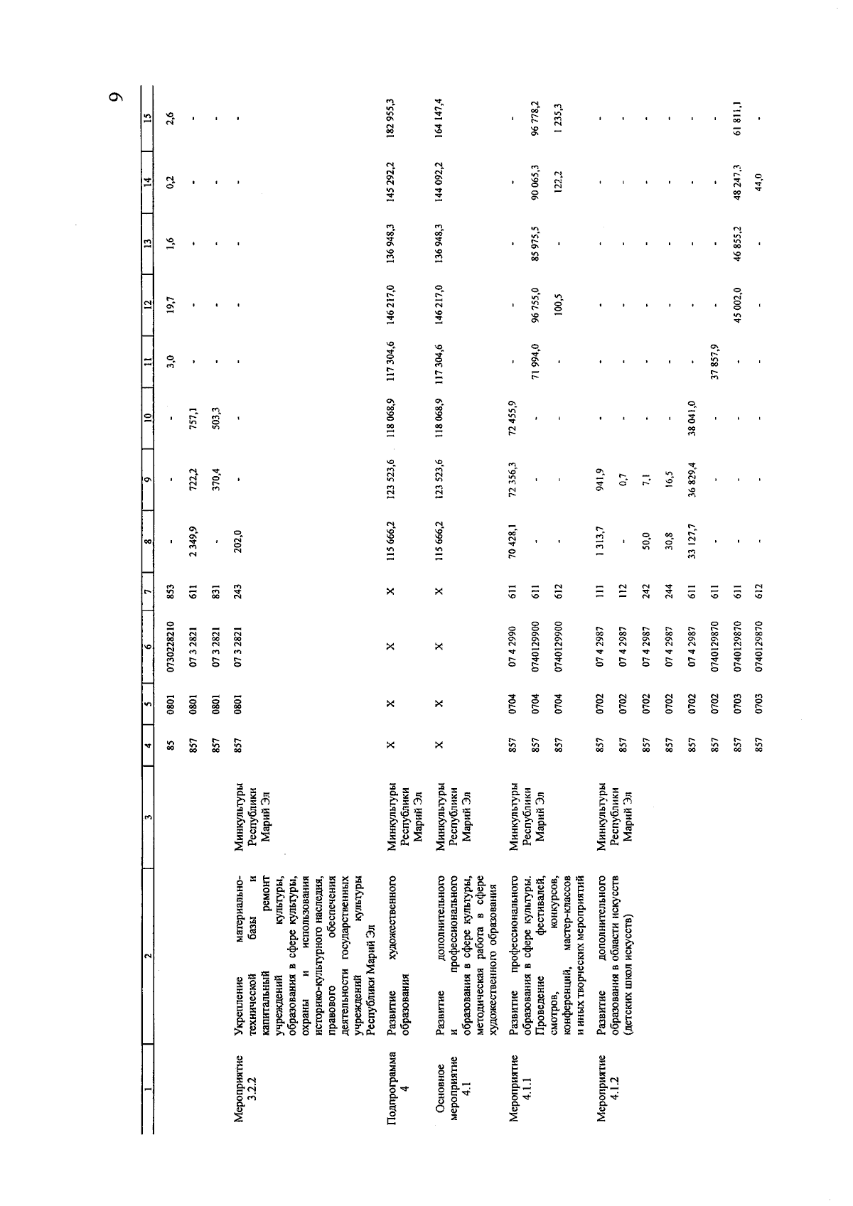
Постановление Правительства Республики Марий Эл от 01.11.2023 № 538
"О внесении изменений в постановление Правительства Республики Марий Эл от 16 ноября 2012 г. № 427"
Номер опубликования: 1200202311020003
Дата опубликования: 02.11.2023
Страница №27 из 157:
Увеличить