Официальное опубликование правовых актов
ОФИЦИАЛЬНОЕ ОПУБЛИКОВАНИЕ
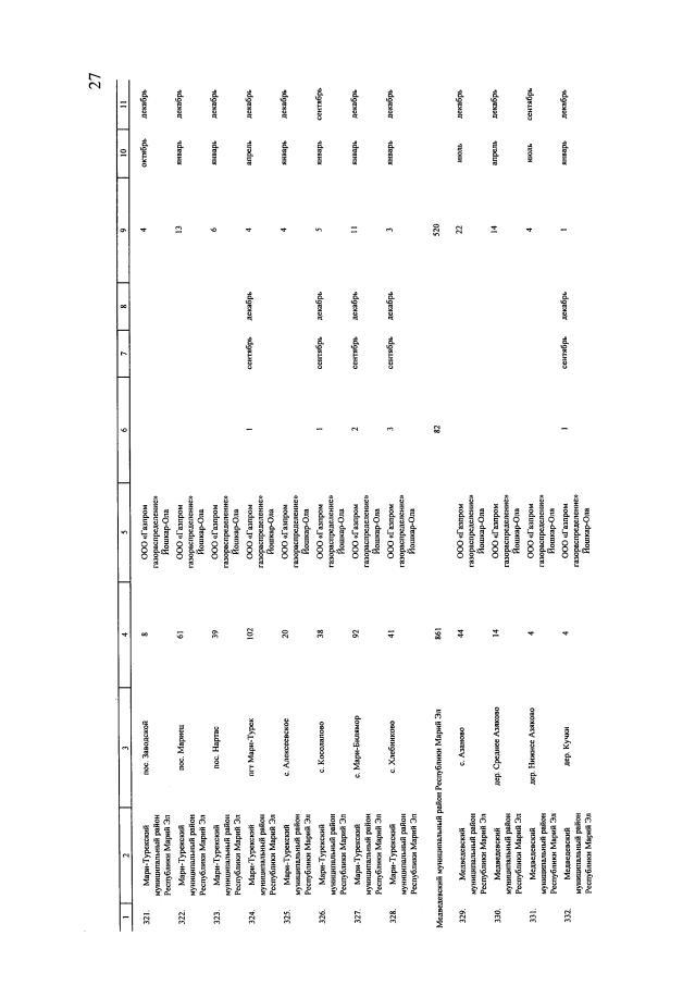
Постановление Правительства Республики Марий Эл от 29.12.2021 № 586
"О внесении изменений в постановление Правительства Республики Марий Эл от 30 ноября 2018 г. № 460"
Номер опубликования: 1200202112300007
Дата опубликования: 30.12.2021
Страница №29 из 192:
Увеличить