Официальное опубликование правовых актов
ОФИЦИАЛЬНОЕ ОПУБЛИКОВАНИЕ
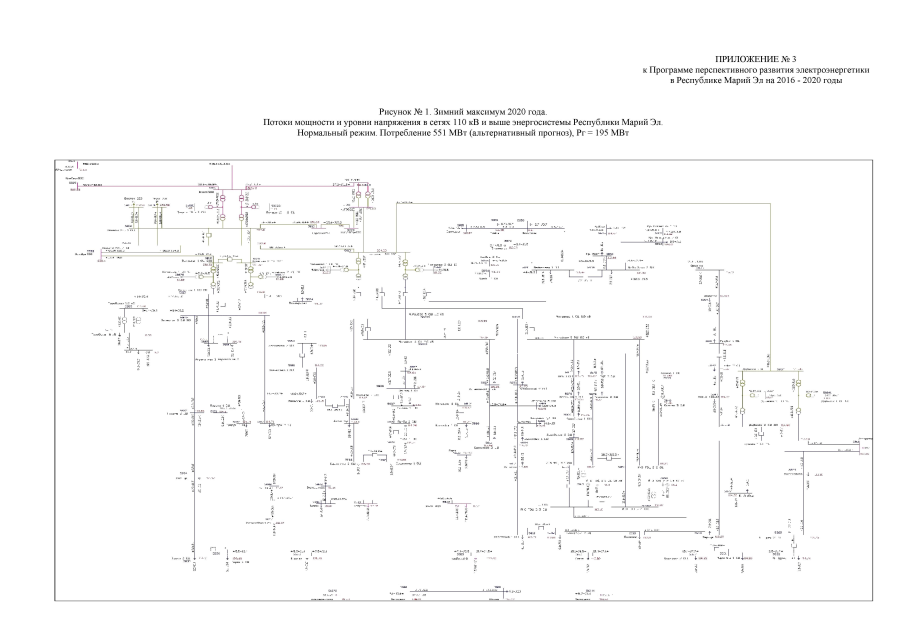
Указ Главы Республики Марий Эл от 06.05.2015 № 103
"Об утверждении Программы перспективного развития электроэнергетики в Республике Марий Эл на 2016 - 2020 годы"
Номер опубликования: 1200201505080004
Дата опубликования: 08.05.2015
Страница №83 из 93:
Увеличить