Официальное опубликование правовых актов
ОФИЦИАЛЬНОЕ ОПУБЛИКОВАНИЕ
Постановление Правительства Республики Коми от 14.02.2019 № 72
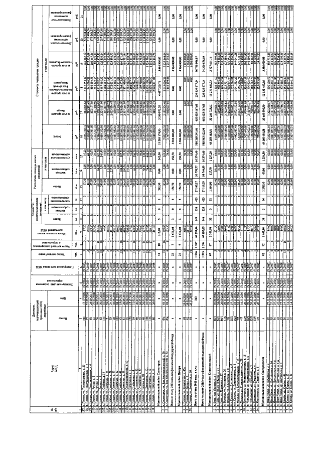
"О внесении изменений в постановление Правительства Республики Коми от 12 апреля 2013 г. № 120 "О республиканской адресной программе "Переселение граждан из аварийного жилищного фонда" на 2013 – 2018 годы"
Номер опубликования: 1100201902190005
Дата опубликования: 19.02.2019
Страница №13 из 42:
Увеличить