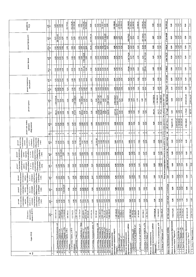
Постановление Правительства Республики Коми от 02.02.2018 № 60
"О внесении изменений в постановление Правительства Республики Коми от 24 августа 2015 г. № 379 "Об утверждении краткосрочного плана реализации региональной программы капитального ремонта общего имущества в многоквартирных домах, расположенных на территории Республики Коми, на 2015 - 2017 годы"
"О внесении изменений в постановление Правительства Республики Коми от 24 августа 2015 г. № 379 "Об утверждении краткосрочного плана реализации региональной программы капитального ремонта общего имущества в многоквартирных домах, расположенных на территории Республики Коми, на 2015 - 2017 годы"
Номер опубликования: 1100201802060004
Дата опубликования:
06.02.2018
