Официальное опубликование правовых актов
ОФИЦИАЛЬНОЕ ОПУБЛИКОВАНИЕ
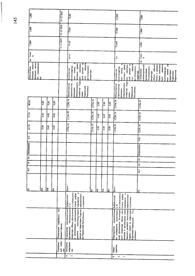
Постановление Правительства Карачаево-Черкесской Республики от 31.01.2019 № 33
"Об утверждении государственной программы "Развитие строительства, архитектуры, градостроительства, жилищно-коммунального хозяйства и дорожного хозяйства в Карачаево-Черкесской Республике"
Номер опубликования: 0900201902050002
Дата опубликования: 05.02.2019
Страница №146 из 183:
Увеличить