Официальное опубликование правовых актов
ОФИЦИАЛЬНОЕ ОПУБЛИКОВАНИЕ
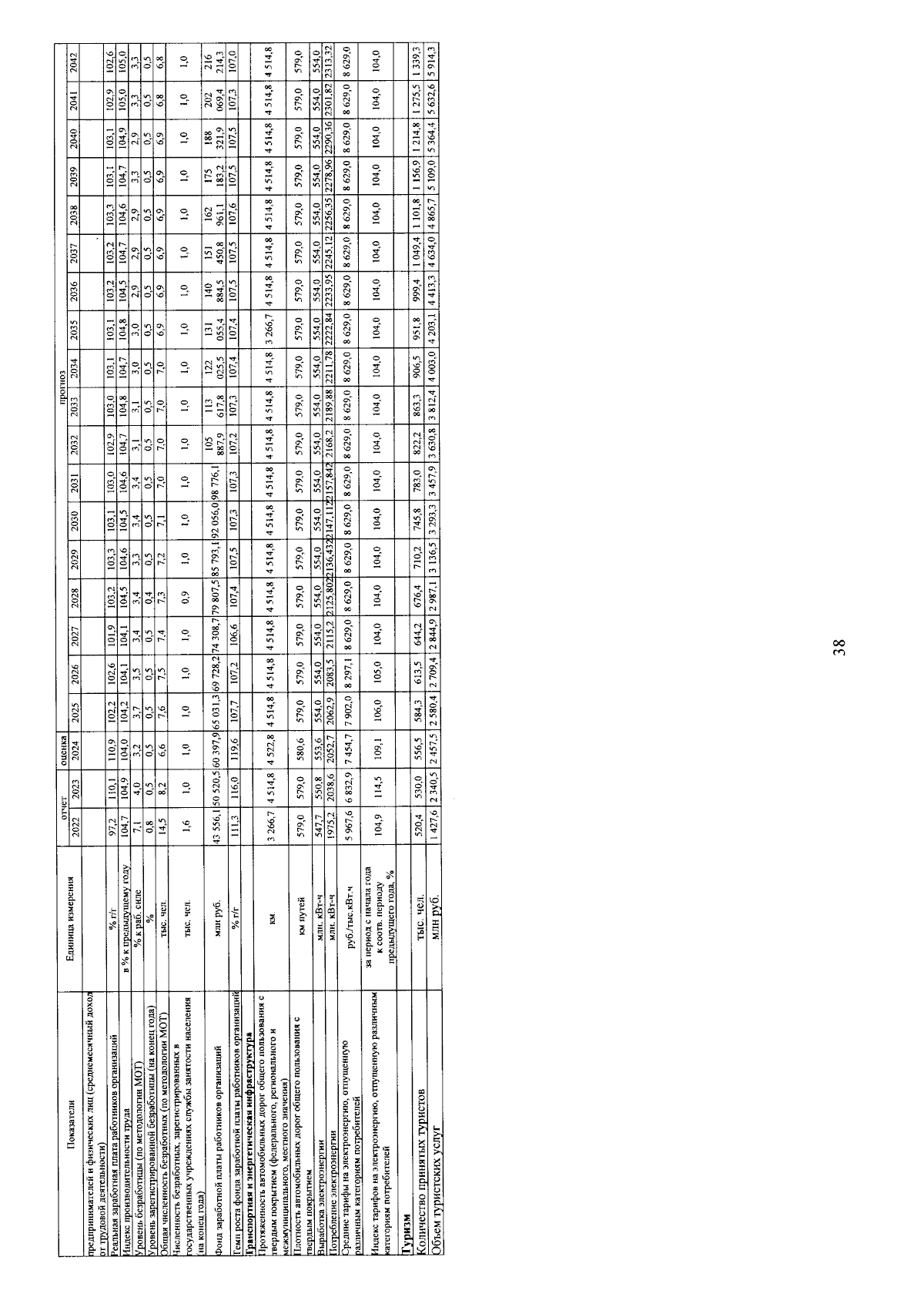
Распоряжение Кабинета Министров Республики Адыгея от 29.10.2024 № 344-р
"О прогнозе социально-экономического развития Республики Адыгея на долгосрочный период до 2042 года"
Номер опубликования: 0100202411020003
Дата опубликования: 02.11.2024
Страница №39 из 45:
Увеличить