Официальное опубликование правовых актов
ОФИЦИАЛЬНОЕ ОПУБЛИКОВАНИЕ
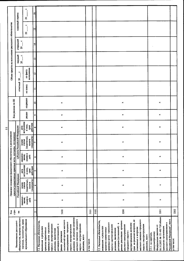
Приказ Министерства финансов Российской Федерации от 01.07.2015 № 103н
"Об утверждении Порядка представления реестров расходных обязательств субъектов Российской Федерации и сводов реестров расходных обязательств муниципальных образований, входящих в состав субъекта Российской Федерации"
(Зарегистрирован 14.08.2015 № 38525)
Номер опубликования: 0001201508180018
Дата опубликования: 18.08.2015
Страница №18 из 39:
Увеличить