Официальное опубликование правовых актов
ОФИЦИАЛЬНОЕ ОПУБЛИКОВАНИЕ
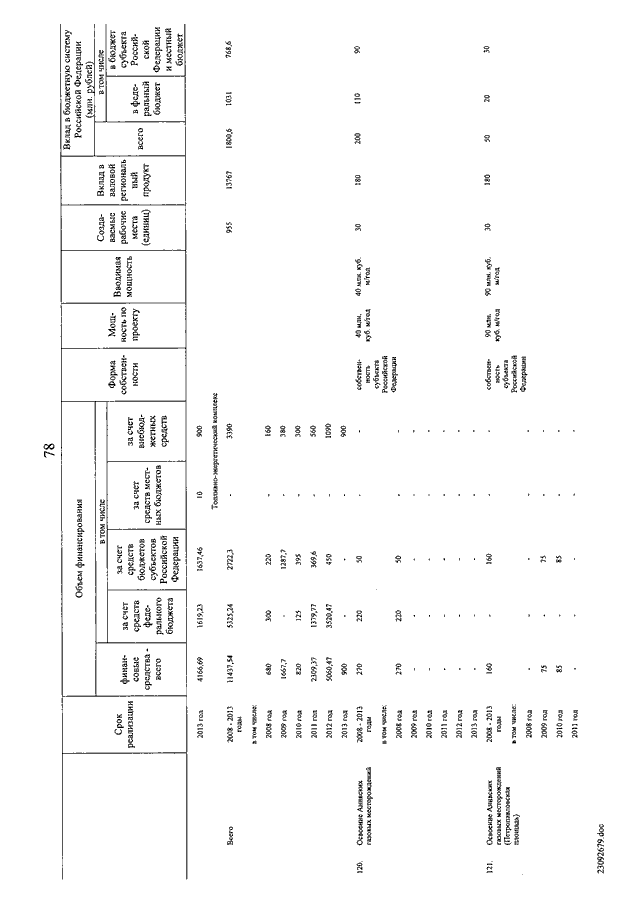
Постановление Правительства Российской Федерации от 25.10.2013 № 962
"О внесении изменений в федеральную целевую программу "Экономическое и социальное развитие Дальнего Востока и Забайкалья на период до 2013 года"
Номер опубликования: 0001201311010012
Дата опубликования: 01.11.2013
Страница №79 из 164:
Увеличить