Официальное опубликование правовых актов
ОФИЦИАЛЬНОЕ ОПУБЛИКОВАНИЕ
Указ Главы Республики Дагестан от 30.12.2019 № 132
"Об утверждении схемы и программы развития электроэнергетики Республики Дагестан на период 2020-2024 годов"
Номер опубликования: 0500202001100010
Дата опубликования: 10.01.2020
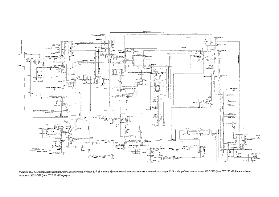
Страница №927 из 977:
Увеличить