Официальное опубликование правовых актов
ОФИЦИАЛЬНОЕ ОПУБЛИКОВАНИЕ
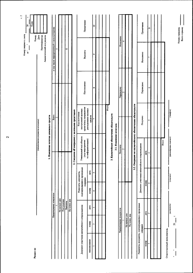
Приказ Федерального казначейства от 22.12.2021 № 44н
"Об утверждении Порядка открытия лицевых счетов территориальными органами Федерального казначейства участникам казначейского сопровождения"
(Зарегистрирован 07.02.2022 № 67178)
Номер опубликования: 0001202202070025
Дата опубликования: 07.02.2022
Страница №50 из 57:
Увеличить