Официальное опубликование правовых актов
ОФИЦИАЛЬНОЕ ОПУБЛИКОВАНИЕ
Приказ Министерства энергетики Российской Федерации от 19.12.2018 № 1185
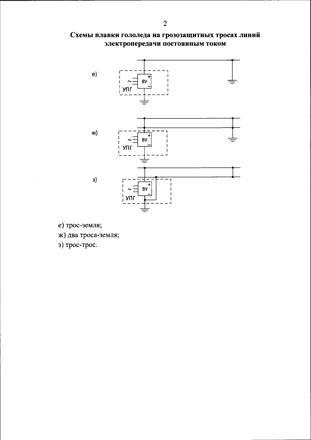
"Об утверждении требований по плавке гололеда на проводах и грозозащитных тросах линий электропередачи"
(Зарегистрирован 22.01.2019 № 53476)
Номер опубликования: 0001201901230029
Дата опубликования: 23.01.2019
Страница №30 из 31:
Увеличить